项目概述:多场景适配的高清视觉模组系列
本项目为安防监控与智能家居设备商定制开发的四款OV2718摄像头模组,基于豪威科技1/2.9英寸CMOS图像传感器,全系列支持200万像素(1920×1080)高清成像与30fps流畅视频采集。模组通过MIPI与DVP接口选项及差异化结构设计,结合HDR宽动态、光敏电阻控制红外LED、IR-CUT机械切换等功能配置,精准适配从智能家居到复杂工业环境的全天候监控需求。
四款模组核心参数对比
第一款:高清1080P OV2718带光敏电阻红外LED夜视监控MIPI识别摄像头模组
为低光环境优化的智能夜视方案
本模组采用40mm×40mm紧凑PCB板设计,集成光敏电阻与红外LED补光灯。当环境照度低于设定阈值时,光敏电阻自动触发红外LED进行补光,确保在完全无光环境下仍能输出清晰的黑白图像。模组通过MIPI接口传输数据,结合OV2718的OmniBSI-2™像素技术(像素尺寸2.8µm),在低光下保持高信噪比。



定制化设计亮点:
智能光控:光敏电阻响应速度快,避免频繁切换造成的画面闪烁。
低功耗设计:红外LED采用PWM调光,减少整体功耗。
易于集成:标准PCB板尺寸,便于快速集成到筒机、球机等外壳中。
典型应用场景:
仓库周界监控:在无照明仓库内,自动红外补光监控人员活动。
地下停车场:夜间清晰捕捉车辆进出及车牌信息。
第二款:高清1080P 30fps HDR宽动态逆光OV2718广角人脸识别摄像头模组
复杂光环境下的高精度识别方案
本模组充分发挥OV2718原生支持的高动态范围(HDR) 特性,通过像素内HDR技术有效应对逆光场景。其广角镜头确保在出入口、窗口等大光比环境下,同时保留高光与暗部细节,为人脸识别算法提供高质量图像输入。



技术优势:
逆光抑制:HDR技术解决背光环境下人脸过暗或背景过曝的问题。
识别优化:针对人脸识别算法优化图像参数,提升识别率。
帧率稳定:确保持续30fps输出,满足实时性要求高的门禁、考勤等场景。
典型应用场景:
楼宇出入口门禁:逆光环境下精准识别人员身份。
智能考勤机:宽动态保障不同光线条件下打卡成功率高。
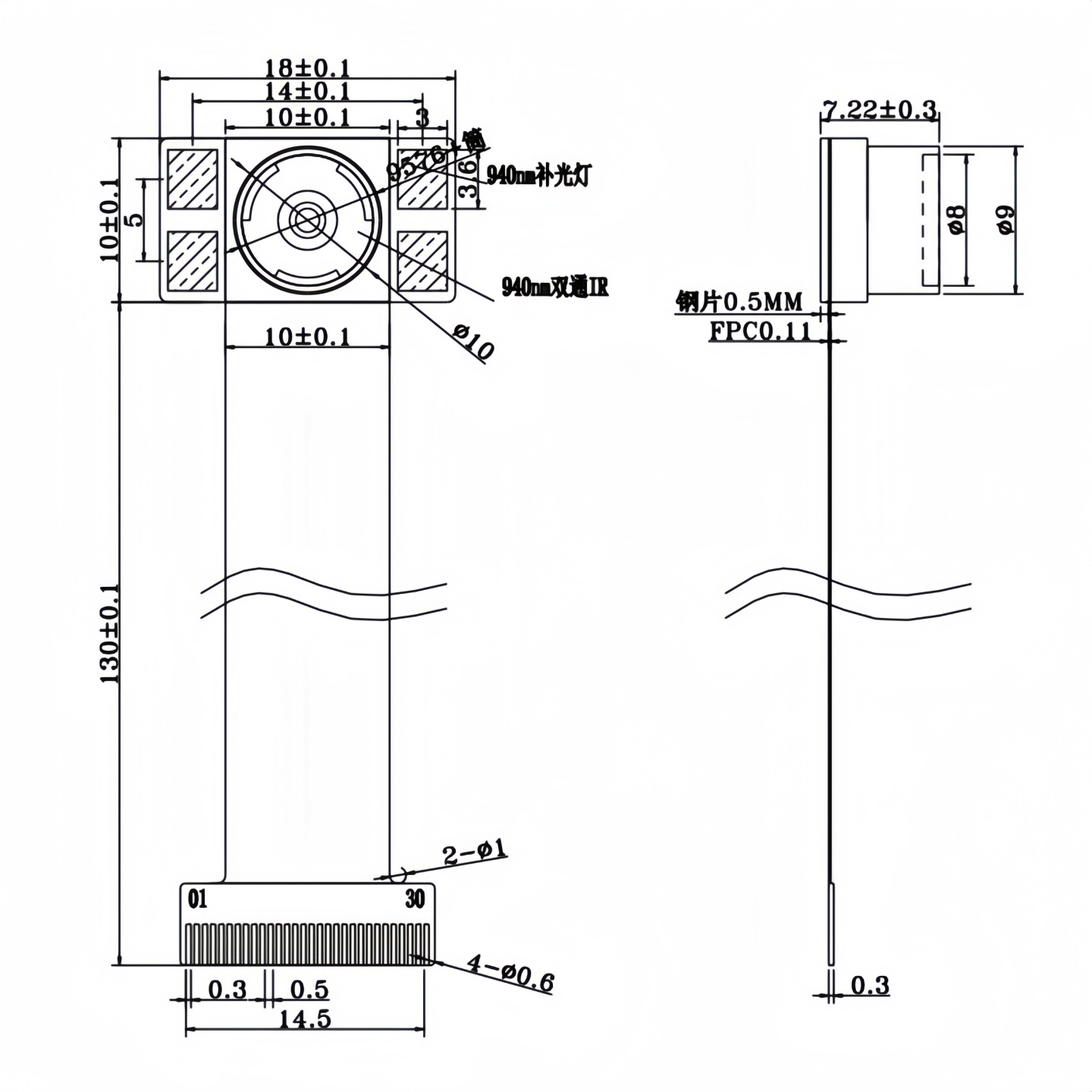
第三款:高清200万像素MIPI宽动态OV2718智能家居监控人脸识别摄像头模组
为智能家居嵌入安装设计的长排线方案
本模组采用130mm超长排线(截面尺寸18×7.22mm),配备30PIN连接器,为智能家居设备(如智能面板、扫地机器人、智能门铃)的内部布线提供极大灵活性。MIPI接口适合与智能家居主控芯片(如华为海思、晶晨等)高效对接。



定制化设计亮点:
布线灵活性:长排线可绕过设备内部结构障碍,将摄像头头端置于最佳拍摄位置。
高集成度:MIPI接口减少连接线数量,提高可靠性。
宽动态兼容:具备HDR功能,适应家庭环境中窗户边等光比变化大的场景。
典型应用场景:
智能扫地机器人:实现视觉导航与避障。
智能中控屏:实现视频通话与人员存在检测。
第四款:高清200万1080P DVP宽动态OV2718 IR-CUT夜视监控识别摄像头模组
真彩夜视与昼夜连续监控方案
本模组采用DVP并行接口,并集成机械式IR-CUT双滤光片切换机构。白天,IR-CUT滤镜自动移开,保证色彩真实还原;夜晚,滤镜自动切入,允许更多红外光进入传感器,提升夜视灵敏度,实现24小时全彩/黑白监控的无缝切换。



技术优势:
色彩真实:白天呈现真实色彩,夜晚保持高灵敏度。
接口通用:DVP接口兼容性强,易于连接多种主流处理器。
宽动态支持:具备HDR功能,应对昼夜交替及逆光场景。
典型应用场景:
道路监控:全天候记录,白天色彩真实,夜晚细节清晰。
店铺监控:24小时无间断监控,日夜画面均可用。
定制支持与服务
我们为设备制造商提供灵活的定制选项,以适配不同产品需求:
硬件定制:支持排线长度、连接器类型、镜头焦距与光圈的定制。
软件支持:提供Linux/V4L2驱动及图像调参工具。
应用支持:可针对人脸识别、移动侦测等具体算法优化图像质量。
核心优势总结
功能全面:覆盖低光夜视(光敏电阻控制/LED补光)、HDR宽动态逆光抑制、IR-CUT真彩夜视等多种场景需求。
接口灵活:提供MIPI(高速、线缆简化)和DVP(兼容性好)两种接口选项。
结构多样:包含标准PCB板和长排线FPC两种形态,适配不同设备结构。
环境鲁棒性强:宽温工作(-30℃ 到 +85℃),HDR技术保障复杂光线下的成像质量。